v錐流量計技術參數
點擊次數:3740 發布時間:2021-04-25 06:10:17
技術說明
1.管體采用無縫隙整體TP304(20#)+PTFE(聚四氟乙烯)襯里。
2.PTFE(聚四氟乙烯)襯里,采用內模成型,整體燒結技術成型,保證襯里的致密性和與TP304(20#)管壁的粘合度,確保在運行中正常情況下,不出現襯里鼓泡和起層,也不會導致HC1和C1離子滲入TP304(20#)表面,對管道造成腐蝕。
3.錐體采用整體PTFE加工而成,確保在運行中錐體的耐腐蝕性及表面結構不變,使測量信號保持長期穩定。
4.金屬管壁設計可以保證錐形流量計良好的承壓性。
5.取壓法蘭規格及技術要求:DN50 F304(20#)+PTFE RF SO(WN)。
1、防腐式錐形流量計(VA)選型

2、方管錐形流量計(VP)
節流元件為相似形方錐,為測量方形(正方和矩形)管道內介質的流量而專業設計。
非常適合電廠或爐風量測量,無需直管段、能測低流速,精度高,測量穩定,是理想解決方案。
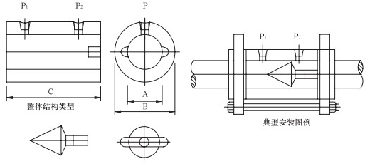
外形圖

尺寸表

3、方管錐形流量計(VP)選型

4、管道對夾式連接(VH)
連接法蘭標準:ANSIB16.5/HG20617 JB/T82/HG20595
連接法蘭壓力等級(CL/MPa):150-2500/2.0-42.0、PN0.25-25.0
適用于測量小直徑高流速管道中介質的流量
特點:1.安裝時無需焊接。2.錐體可以更換。
外形圖

尺寸表

其它管徑、長度和螺紋孔徑也可以設計制造。
5、管道對夾式連接(VH)選型

上一篇:污水流量計種類及原理
下一篇:v錐流量計的特點優點


